Messen und Steuern  mit  EasyPort und FluidSIM 5

FluidSIM dient in diesem Fall als Steuerungssoftware. Diese kann im Digitalplan oder im GRAFCET erstellt werden. Der Stromlaufplan ist hier weniger gut geeignet.


Beispiel  : Einfache pneumatische Schaltung









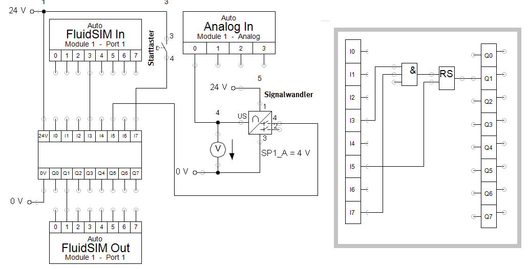
Schritt 1:  Verdrahtung genau wie im obigen Bild:

                  Dig. Ausgang Q 1 = Ventil, dig, Eingang Kolben einfahren =I 3

                   Analoger Eingang AIN 0  = Drucksensor                                      [....] i. O.


Schritt 2:  a) Die Spannung 24 V (Netzteil eingeschaltet)                            [....] i. O.

                  b) PC ist hochgefahren                                                                     [....] i. O.

                   c) EasyPort   USB Kabel mit PC verbunden                                  [....] i. O.

                   Achtung: Jetzt die Spannung nicht mehr wegschalten,

                   ansonsten muss, wenn die Spannung wieder eingeschaltet wird das 

                   USB - Kabel vom PC getrennt werden und dann wieder verbunden werden         

 Schritt 3 :  Erstellen des FluidSIM Programms -Stufe 1

Auf den Eingang I7 wird ein Taster gelegt. Wenn dieser 1 Signal hat wird der Ausgang Q1  geschaltet. Wenn der  Eingang I3   1-Signal bekommt wird dies durch "grün an 3 angezeigt.




















Die Module FluidSIM IN  - OUT müssen auf "direkte EasyPort Verbindung gestellt sein.

 











Hat diese alles funktioniert ?                                                                      [....] i. O.


Schritt 4:  Kleine Aufgabe: Nach dem Betätigen des Starttasters  I7 

soll der Kolben ausfahren. Nach erreichen des Druckes von 4 bar 

wieder einfahren.

a) Sind die Bauteile mit Pneumatikschläuchen verbunden ?                    [....] i. O.












b) Ist die el. Verdrahtung erfolgt :                                     

     Ventil an Q1,  Kolben eingefahren an I3, Drucksensor an AIN 0             [....] i. O.

c) PC ein, Spannung 24 V  ein                                                                           [....] i. O.

    Wenn PC hochgefahren -> USB-Kabel anschließen                                   [     ] i.O.

d) Erstellung des FluidSIM Programms


Hinweis: Das bin. Signal des Signalwandlers geht direkt auf den Eingang 5 des 

Digitalmoduls. Es erfolgt also keine Verdrahtung an den dig. Eingängen.



 



 Hier die Programmierung als kleines Video

 



 

 

               


 


  Aktualisiert  

  am 23.09..2025

############


Verurteile nur dann jemanden, wenn du eine Meile in dessen Schuhe gelaufen bist !

(unbekanntes Zitat)


Den Fortschritt verdanken wir nicht den Zufriedenen, den Fortschritt verdanken wir den Unzufriedenen

(Karl Maier, Unterkochen)


Man kann das Hirn nicht daran hindern dass es lernt

(Prof. Spitzer, Ulm)


Machen ist wie Wollen nur

krasser

(unbekannt)


Egal wie tief man die Messlatte des geistigen Verstandes setzt,
es gibt jeden Tag jemanden der bequem darunter durchlaufen kann.

( Volksmund)


Das große Ziel der 

Bildung ist nicht Wissen sondern Handeln
(Herbert Spenzer)


Der Hahn glaubt auch, dass deshalb, weil er kräht, die Sonne aufgeht.

   (Quelle unbekannt


Einen Esel, der keinen 

Durst hat, kann man nicht zum Trinken bringen,    

(franz. Sprichwort )


Wir können den Wind nicht ändern, aber wir können die Segel richtig setzen.

(Aristoteles) 

 

Wenn Pferde fehlen, traben Esel

Mutter Margareta, Don Bosco


Du kannst den Ozean nicht überqueren, wenn du nicht den Mut hast die Küste aus den

Augen zu verlieren.

(Christoph Columbus)

 

Ein Computer kann das menschliche Gehirn

nicht ersetzen. Engstirnigkeit kann unmöglich simuliert werden.

 (Gerd W. Heyse)

 

 Man soll alles so

einfach wie möglich machen, aber nicht einfacher!

(Albert Einstein)

 

Nichts auf der Welt

 ist so mächtig wie eine Idee, deren Zeit gekommen ist.

(Victor Hugo)

  

Nicht die Großen

werden die kleinen verdrängen, sondern

die Schnellen die Langsamen
 (unbekannt)

 

Der Erfolg ist dann

eine Frage des Glücks, wenn man keine Strategie hat!

  

Wissen, das nicht

 jeden Tag zunimmt, nimmt jeden Tag ab

(chinesische Weisheit)
 

 Man sieht nur was

man weiß!
 (
Johann Wolfgang  Goethe)

 

Ich hätte es verstanden, 

wenn man es mir nicht erklärt hätte

(Albert Einstein)

 

Wer viel redet hat

keine Zeit zum Denken!

(unbekannt)